Elektroměr B03-OA4TH x/5A nepřímý, CZ úředně ověřený

Třífázový, jednosazbový, digitální elektroměr pro nepřímé měření x/5A

- proudový rozsah x/5A
- CZ CEJCH - úředně ověřený v ČR pro fakturační měření
  (dodáván vč. Protokolu o ověření měřidla)
- třída přesnosti 1
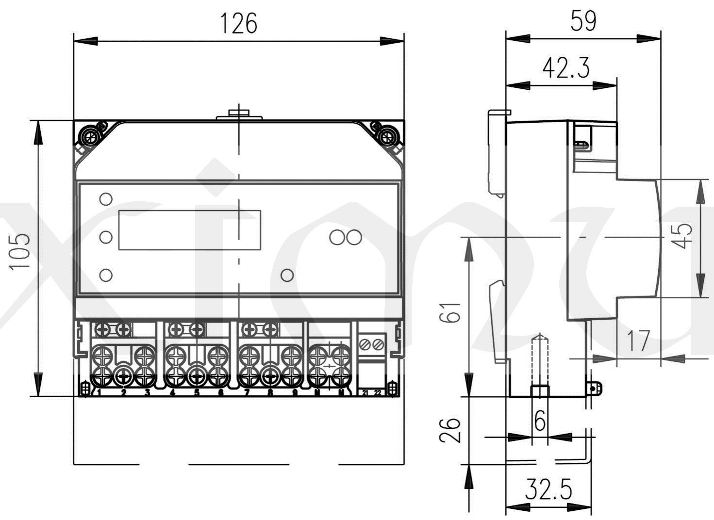
- montáž na lištu DIN
- velikost 7 modulů
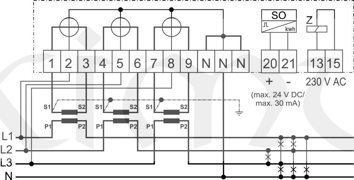
- impulsní výstup SO+LED
- hmotnost 690g
- kontrola sledu fází a směru proudu
- displej pro zobrazení 1 sazby
- nastavení převodu transformátorů: ano
  (lze nastavit tlačítkem pouze tyto převody: 50/5A, 60/5A, 75/5A, 100/5A, 125/5A, 150/5A, 200/5A, 250/5A, 300/5A, 400/5A, 500/5A, 600/5A, 750/5A, 800/5A, 1000/5A, 1200/5A, 1250/5A, 1500/5A, 2000/5A, 2400/5A, 2500/5A, 3000/5A)
- "H" v označení přístroje znamená jednosazbové provedení

 

Příslušenství měřící proudové trafa x/5A t.p.0.5Sx/5A t.p.0.5% -zde v odkazu po prokliknutí s možností výběru primárního proudu,
včetně možnosti úředního ověření - cejchování trafa.

Parametry výrobku:

Výrobce elektroměru Applied Meters
EAN 8594169854779
Ke stažení: AMT_B0C-SA4T_datasheet.pdf
Nastaveni_pomeru_traf_a_pripojeni_k_elektromeru_AMT.pdf
Cena: Na dotaz!
Do košíku

Volitelné příslušenství

Id: 20503,   ID_Pohoda : E4086,