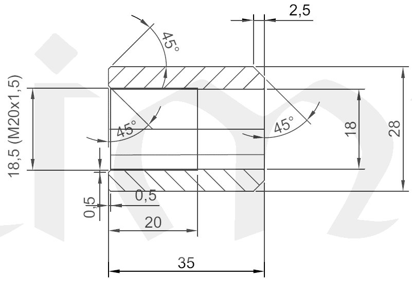
Návarky jsou určené pro připojení bimetalových teploměrů(jímek) k měřícímu místu.
Návarek se přivaří k potrubí, a do návarku se zašroubuje teploměrová jímka. Do jímky se zastrčí teploměr a zajistí proti pohybu, červíkem na boční straně hlavy jímky.
Materiál: nerez ocel 1.4301
Max. teplota: do +500°C
Max. tlak: do 4 MPa (40bar)
Možnosti:
jiný materiál návarku na poptávku,
jiné rozměry na poptávku,
jiný přípojný závit na poptávku.
